Ersatzteile Waschmaschine Whirlpool AWOE9147

In dieser Kategorie finden Sie alle Ersatzteile für Waschmaschine Whirlpool AWOE9147. Nutzen Sie die zahlreichen Angebote von Ersatzteilen, die innerhalb von nur 24/48 Stunden lieferbar sind (bei Auf Lagerkeit in unseren Lagern). Für jedes Produkt ist der Versand immer schnell und kostenlos. Auch die Rücksendung innerhalb von 30 Tagen nach Lieferung ist gratis.
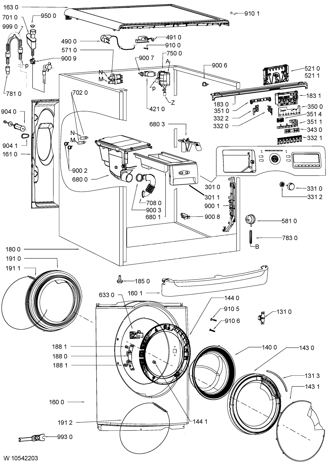
Technische Zeichnungen verfügbar, klicken Sie auf eine davon, um das zu ersetzende Ersatzteil leicht zu identifizieren

Sie sind sich nicht sicher über den Namen des benötigten Teils? Die Diagramme helfen Ihnen, das richtige Teil zu identifizieren.

Valplast Manschetten - Türmanschette Alternativ Für Whirlpool 480111100188 Waschmaschine WHIRLPOOL AWOE9147
Dämpfer Waschmaschine WHIRLPOOL AWOE9147
Widerstand Mit Ntc Waschmaschine WHIRLPOOL AWOE9147
Whirlpool Indesit Siebe - C00312342 Filter Pumpe Waschmaschine WHIRLPOOL AWOE9147
Whirlpool Indesit Trommelrippen - C00310980 Mitnehmer 54l,58l Waschmaschine WHIRLPOOL AWOE9147
Irca Heizungen - Waschmaschinenheizung Alternativ Für Whirlpool 481010645279 Waschmaschine Whirlpool AWO7848
Whirlpool Indesit Verbindungsschlauch - C00313144 Ablaufbalg Bottich-pumpe Passend Für Eureka Waschmaschine WHIRLPOOL AWOE9147
Whirlpool Indesit Verbindungsschlauch - C00313076 Kruemmer Einspuelb.-bottich, Passend Für Eureka Waschmaschine WHIRLPOOL AWOE9147
Whirlpool Indesit Filter Elektrisch - C00314577 Schnittstelle.filter Waschmaschine WHIRLPOOL AWOE9147
Türverriegelung. Eureka 490 Hr Waschmaschine WHIRLPOOL AWOE9147
Whirlpool Indesit Schauglas - C00311824 Schauglas Waschmaschine WHIRLPOOL AWOE9147
Com Motorenteile - Kohlebürste Für Nidec Sole Motor / Eco Waschmaschine WHIRLPOOL AWOE9147
Türmanschette Waschmaschine WHIRLPOOL AWOE9147
Whirlpool Indesit Wäschetrommel - C00324932 Wäschemitnehmer, 64l Eureka Waschmaschine WHIRLPOOL AWOE9147
Whirlpool Indesit Bottichfedern - C00320949 Tragfeder Passend Für Eureka 490 Waschmaschine WHIRLPOOL AWOE9147
Whirlpool Indesit Tastensatz - C00315380 Taste Optionen Bd Waschmaschine WHIRLPOOL AWO7848
Eltek Einlaufschlauch - Aquastop Zulaufschlauch, 3/4 , Mechanisch, 1,5m Waschmaschine Bauknecht SUPER ECO 7415
Whirlpool Indesit Türscharnierefürwaschmaschinen - C00311610 Scharnier Waschmaschine WHIRLPOOL AWOE9147
Kohlebürsten Paar Waschmaschine WHIRLPOOL AWOE9147
Com Dämpfer - Stossdämpfer Alternativ Für Bauknecht Waschmaschine WHIRLPOOL AWOE9147
Com Pumpen Und Zubehör - Filter Pumpe Alternativ Für Whirlpool 481248058385 Waschmaschine WHIRLPOOL AWOE9147
Whirlpool Indesit Federhalter - C00316582 Leise Block Waschmaschine WHIRLPOOL AWOE9147
Schlauch Niveauschalter Waschmaschine WHIRLPOOL AWO7848
Bitron Membranschalter - Niveauschalter Alternativ Für Whirlpool 481227128554 Waschmaschine WHIRLPOOL AWO7848
Aquastopzulaufschlauch 1,5m Re-flex 3000 Waschmaschine SAMSUNG WW80K5400WW/EG
Whirlpool Indesit Tastensatz - C00312098 Tasteneinheit Start/lºschen Waschmaschine WHIRLPOOL AWOE9147
Ablaufpumpe Waschmaschine WHIRLPOOL AWOE9147
Com Temperaturfühler - Sensor Ntc Alternativ Für Whirlpool 481228219485 Waschmaschine Bauknecht WAT 619 EX N
Whirlpool Indesit Tanks - C00514217 Ausgleichkammer Waschmaschine WHIRLPOOL AWOE9147
Candy Hoover Temperaturfühler - Ntc Thermostat Waschmaschine WHIRLPOOL AWOE9147
Ring Mansch.-beh., Eureka 490 Waschmaschine WHIRLPOOL AWOE9147
Whirlpool Indesit Elektrische Bauteile Module Elektrische Einheiten Haushaltsgeräte - C00311980 Bedienteilmodul E8/5d/grn Waschmaschine WHIRLPOOL AWOE9147
Whirlpool Indesit Riemenscheiben - C00311999 Riemenscheibe Eureka/mr+hr Waschmaschine WHIRLPOOL AWO7848
Whirlpool Indesit Schlauch - C00319405 Schlauch Notentleer.m.inte.stecker Waschmaschine WHIRLPOOL AWOE9147
Whirlpool Indesit Befestigungsteile - C00309517 Schraube M8x22,5/dd Waschmaschine WHIRLPOOL AWO7848
Whirlpool Indesit Poly-v-riemen - C00313032 Riemen Passend Für Eureka Waschmaschine WHIRLPOOL AWOE9147
Whirlpool Indesit Ablaufschlauch - C00311863 Ablaufschlauch Waschmaschine WHIRLPOOL AWOE9147
Schunk Motorkohlen - Kohlebürsten Ersatz Für Electrolux Unten 4006020152, 2 Stück Waschmaschine Whirlpool AWOE9147
Whirlpool Indesit Gehäuseteile - C00313162 Fuss Waschmaschine WHIRLPOOL AWOE9147
Lichttraeger Display Waschmaschine WHIRLPOOL AWO7848
Whirlpool Indesit Magnetventile - C00313348 Magnetventil Doppelt, Kalt Waschmaschine WHIRLPOOL AWOE9147
Whirlpool Indesit Gehäuseteile - C00316521 Rückwand Waschmaschine WHIRLPOOL AWOE9147
Netzkabel 3x2000mm Eu With Ferrite Waschmaschine Bauknecht WAT 619 EX N
Schalter Micro (wasserstopp) Waschmaschine WHIRLPOOL AWOE9147
Schubladengriff Waschmaschine WHIRLPOOL AWOE9147
Schlauchschelle 19,2mm Waschmaschine WHIRLPOOL AWO7848
Schublade Für Waschmittel Waschmaschine WHIRLPOOL AWOE9147
Schlauch Pumpe-ausgleichkammer Waschmaschine WHIRLPOOL AWOE9147